首页>> 产品中心>> MOSFET>> Trench MOS>>

Trench MOS
Part Number Download Circuit Status Type Process

ESD

Yes/No

VDS

V

VGS

V

ID

A

VGS(TH)

V

RDS(mΩ)@VGS

10V Typ

RDS(mΩ)@VGS

10V Max

RDS(mΩ)@VGS

4.5V Typ

RDS(mΩ)@VGS

4.5V Max

Package
Active
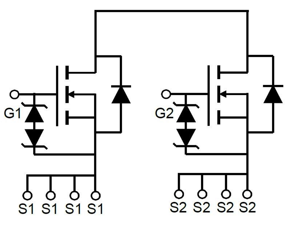
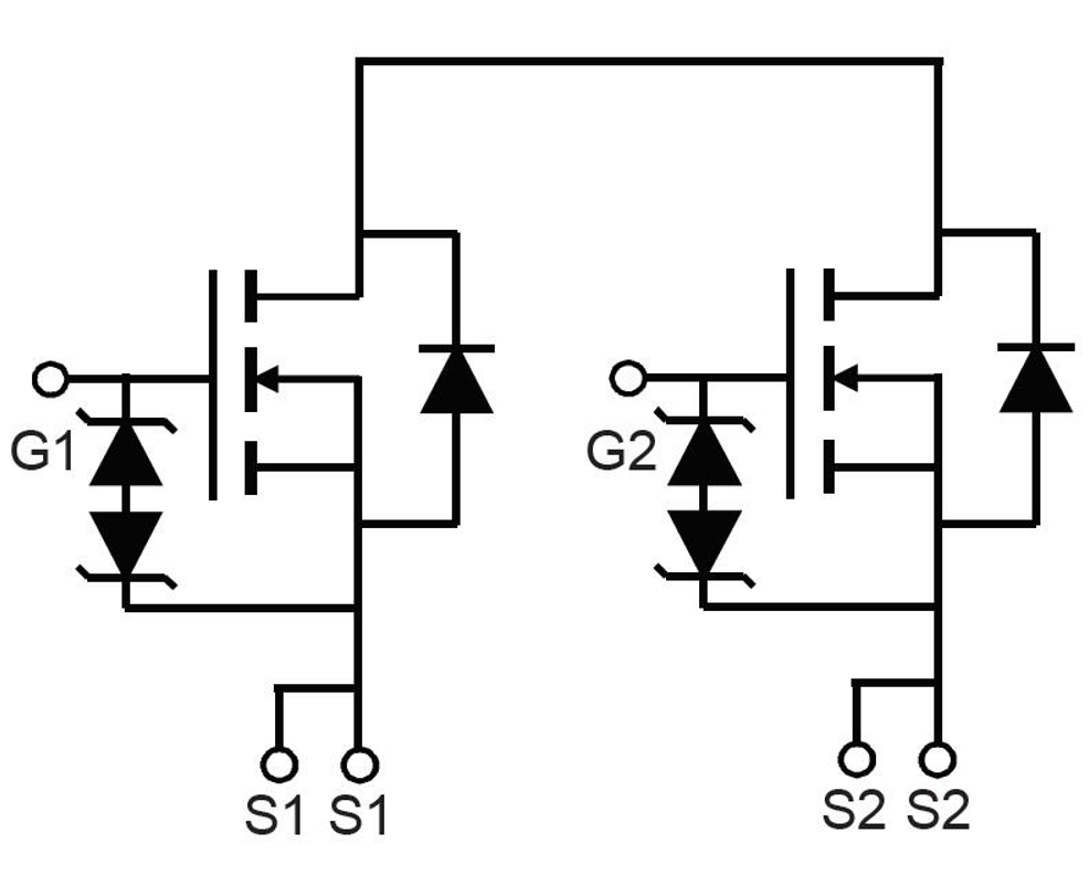
Dual-N
Dual-P
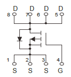
N/P-ch
Single-N
Single-P
Trench
No
Yes
±10
±12
±16
±20
±25
±30
±6
±7
±8
-0.35~-1.1
-0.3~-1.0
-0.45~
-0.45~-1.0
-0.45~-1.2
-0.4~-0.9
-0.4~-1.0
-0.4~-1.2
-0.4~-1.3
-0.55~-1.0
-0.5~-0.9
-0.5~-1.0
-0.5~-1.5
-0.6~-1.4
-0.6~-1.5
-0.7~-1.3
-0.9~-2.0
-1.0~-2.0
-1.0~-2.5
-1.0~-3.0
-1.1~-2.2
-1.2~-2.2
-1.5~-2.5
-1.5~-3.5
-2.0~-4.0
0.35~1.1
0.35~1.4
0.35~2.5
0.3~1.1
0.45~1.0
0.45~1.1
0.45~1.2
0.4~1.0
0.4~1.1
0.4~1.2
0.4~1.4
0.5~0.9
0.5~1.0
0.5~1.1
0.5~1.2
0.5~1.3
0.5~1.5
0.5~2.0
0.65~1.2
0.6~1.0
0.6~1.2
0.6~1.4
0.6~1.5
0.7~1.4
0.7~1.5
0.7~3.0
0.8~1.5
0.8~3.0
0.9~1.5
1.0~2.0
1.0~2.2
1.0~2.5
1.0~3.0
1.2~2.5
1.2~2.8
1.2~3.0
1.3~2.3
1.3~2.5
1.5~2.5
2.0~4.0
CSPB1111-4
CSPB1313-4
CSPB1515-4
CSPB1717-4
CSPB1912-6
CSPB2213-6
CSPB2217-6
CSPC2019-10
CSPC2115-10
CSPC2623-10
CSPC2624-10
CSPC3015-10
CSPC3028-14
CSPC3030-14
CSPC3220-10
CSPC3421-10
DFN1006-3L
DFN1006-3L-A
DFNWB2x2-6L
DFNWB2x3-6L
DFNWB3x3-8L
DFNWB5x2-6L
PDFNWB3.3x3.3-8L
PDFNWB3.3x3.3-8L-B
PDFNWB5x6-8L
PDFNWB5x6-8L-A
SOP8
SOT-223
SOT-23
SOT-23-3L
SOT-23-6L
SOT-323
SOT-363
SOT-523
SOT-563
SOT-723
SOT-89-3L
TO-220-3L-C
TO-252-2L
TO-92
TSSOP8
WBFBP-03E
CJL2301

Active
Dual-P
Trench
No
-20
±8
-2.3
-0.4~-1.0
-
-
58
90
SOT-23-6L
CJL1206

Active
Dual-P
Trench
No
-12
±8
-6
-0.5~-0.9
-
-
30
45
SOT-23-6L
CJ3139KDW

Active
Dual-P
Trench
Yes
-20
±12
-0.66
-0.35~-1.1
-
-
430
520
SOT-363
CJ3134KDW

Active
Dual-N
Trench
Yes
20
±12
0.75
0.35~1.1
-
-
270
380
SOT-363
2N7002V

Active
Dual-N
Trench
No
60
±20
0.115
1.0~2.5
900
5000
-
-
SOT-563
2N7002KDW

Active
Dual-N
Trench
Yes
60
±20
0.34
1.0~2.5
900
2500
1100
3000
SOT-363
2N7002DW

Active
Dual-N
Trench
No
60
±20
0.115
1.0~2.5
1100
5000
-
-
SOT-363
CJAC20N06D

Active
Dual-N
Trench
No
60
±20
20
1.0~2.5
17
25
22
35
PDFNWB5x6-8L-A
CJ12209SP


Active
Dual-N
Trench
Yes
12
±8
19.8
0.35~1.4
-
-
1.2
1.56
CSPC3028-14
CJ8209SP


Active
Dual-N
Trench
Yes
12
±8
17
0.4~1.4
-
-
1.2
2.3
CSPC2624-10
CJ6617SP


Active
Dual-N
Trench
Yes
20
±12
12
0.4~1.2
-
-
4.9
6.8
CSPB2217-6
CJ4506SP


Active
Dual-N
Trench
Yes
20
±12
10
0.3~1.1
-
-
11.2
13.5
CSPB1717-4
CJ4502SP


Active
Dual-N
Trench
Yes
20
±12
3.5
0.5~1.3
-
-
22.6
31
CSPB1111-4
CJMP2011

Active
Single-P
Trench
No
-20
±12
-11
-0.45~-1.2
-
-
15
23.5
DFNWB2x2-6L
CJU30P10

Active
Single-P
Trench
No
-100
±20
-30
-1.0~-2.5
38
45
41
55
TO-252-2L
CJU40P03

Active
Single-P
Trench
No
-30
±20
-40
-1.0~-2.5
10
15
14
25
TO-252-2L
CJQ13P04

Active
Single-P
Trench
No
-40
±20
-13
-1.0~-2.5
11
15
14.5
22
SOP8
CJ502K

Active
Single-P
Trench
Yes
-50
±20
-0.18
-0.9~-2.0
4100
8000
-
-
SOT-23
CJQ16P03

Active
Single-P
Trench
No
-30
±20
-16
-1.0~-2.5
5.1
6.5
8.1
10
SOP8
CJU50P06

Active
Single-P
Trench
No
-60
±20
-50
-1.0~-3.0
25
30
-
-
TO-252-2L